Orders Logout

Media Picture ID Case Number Case Name From Is Liked Status Created Changed Type
3863 Fonus Kumla Kumla
kumla@fonus.se
2022-09-13 09:38:44 2022-09-13 09:38:48
3862 Fonus Begravning Begravning
boden@fonus.se
2022-09-12 16:55:13 2022-09-12 16:55:16
3861 Fonus Begravning Begravning
boden@fonus.se
2022-09-12 16:54:09 2022-09-12 16:54:14
3860 Lars Ljungman
lars.ljungman@fonus.se
2022-09-12 16:53:25 2022-09-12 16:53:31
3859 Fonus Begravning Begravning
boden@fonus.se
2022-09-12 16:53:04 2022-09-12 16:53:09
3858 Fonus Begravning Begravning
boden@fonus.se
2022-09-12 16:50:35 2022-09-12 16:50:42
3857 Lars Ljungman
lars.ljungman@fonus.se
2022-09-12 16:48:59 2022-09-12 16:49:05
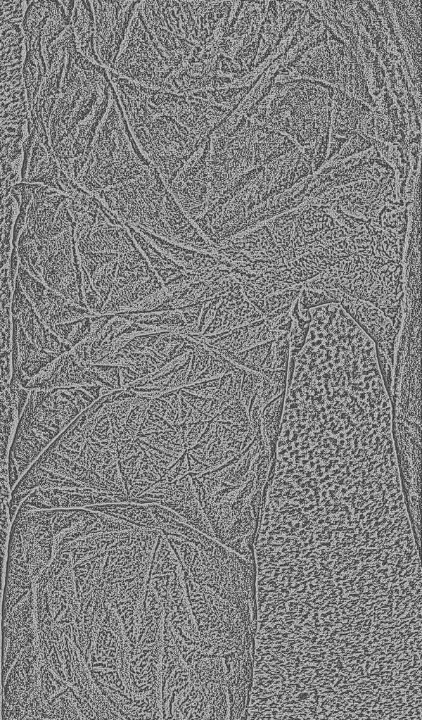
Picture ID: 3863
Case Number: 418197
Case Name: karin lillemor kristina sundelin
From: Fonus Kumla Kumla kumla@fonus.se
Status:
Created: 2022-09-13 09:38:44
Changed: 2022-09-13 09:38:48
Type: Left Fingerprint
Picture ID: 3862
Case Number:
Case Name:
From: Fonus Begravning Begravning boden@fonus.se
Status:
Created: 2022-09-12 16:55:13
Changed: 2022-09-12 16:55:16
Type: Left Fingerprint
Picture ID: 3861
Case Number:
Case Name:
From: Fonus Begravning Begravning boden@fonus.se
Status:
Created: 2022-09-12 16:54:09
Changed: 2022-09-12 16:54:14
Type: Left Fingerprint
Picture ID: 3860
Case Number: brittmarie lindroh
Case Name:
From: Lars Ljungman lars.ljungman@fonus.se
Status:
Created: 2022-09-12 16:53:25
Changed: 2022-09-12 16:53:31
Type: Left Fingerprint
Picture ID: 3859
Case Number:
Case Name:
From: Fonus Begravning Begravning boden@fonus.se
Status:
Created: 2022-09-12 16:53:04
Changed: 2022-09-12 16:53:09
Type: Left Fingerprint
Picture ID: 3858
Case Number:
Case Name: Britt-Marie Lindroth
From: Fonus Begravning Begravning boden@fonus.se
Status:
Created: 2022-09-12 16:50:35
Changed: 2022-09-12 16:50:42
Type: Left Fingerprint
Picture ID: 3857
Case Number: Britt marie
Case Name:
From: Lars Ljungman lars.ljungman@fonus.se
Status:
Created: 2022-09-12 16:48:59
Changed: 2022-09-12 16:49:05
Type: Left Fingerprint