Orders Logout

Media Picture ID Case Number Case Name From Is Liked Status Created Changed Type
9975 Fonus Örnsköldsvik
ornskoldsvik@fonus.se
2026-01-19 15:03:23 2026-01-19 15:04:54
9974 Marie Pettersson
marie@vasterasbegravningsbyra.se
2026-01-19 13:41:39 2026-01-19 13:41:50
9973 Fonus Transport Sthlm Transport
expeditionen.sthlm@fonus.se
2026-01-19 13:30:26 2026-01-19 13:31:14
9972 Fonus Transport Sthlm Transport
expeditionen.sthlm@fonus.se
2026-01-19 12:52:24 2026-01-19 12:53:16
9971 Tornkvist Begravningsbyrå
karlskrona@tornkvists.se
2026-01-19 11:14:54 2026-01-19 11:20:45
9970 Tornkvist Begravningsbyrå
karlskrona@tornkvists.se
2026-01-19 11:03:27 2026-01-19 11:03:40
9969 Tornkvist Begravningsbyrå
karlskrona@tornkvists.se
2026-01-19 10:59:05 2026-01-19 10:59:14
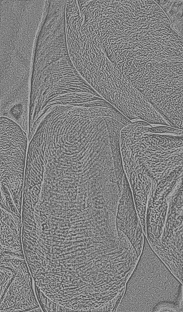
Picture ID: 9975
Case Number: 555004
Case Name: Maiken Tobiasdottet Örtenblad
From: Fonus Örnsköldsvik ornskoldsvik@fonus.se
Status:
Created: 2026-01-19 15:03:23
Changed: 2026-01-19 15:04:54
Type: Left Fingerprint
Picture ID: 9974
Case Number:
Case Name: test
From: Marie Pettersson marie@vasterasbegravningsbyra.se
Status:
Created: 2026-01-19 13:41:39
Changed: 2026-01-19 13:41:50
Type: Left Fingerprint
Picture ID: 9973
Case Number: 554116
Case Name: lena bergsten
From: Fonus Transport Sthlm Transport expeditionen.sthlm@fonus.se
Status:
Created: 2026-01-19 13:30:26
Changed: 2026-01-19 13:31:14
Type: Left Fingerprint
Picture ID: 9972
Case Number: 554116
Case Name: lena bergsten
From: Fonus Transport Sthlm Transport expeditionen.sthlm@fonus.se
Status:
Created: 2026-01-19 12:52:24
Changed: 2026-01-19 12:53:16
Type: Left Fingerprint
Picture ID: 9971
Case Number: 48826002
Case Name:
From: Tornkvist Begravningsbyrå karlskrona@tornkvists.se
Status:
Created: 2026-01-19 11:14:54
Changed: 2026-01-19 11:20:45
Type: Left Fingerprint
Picture ID: 9970
Case Number: 48826002
Case Name:
From: Tornkvist Begravningsbyrå karlskrona@tornkvists.se
Status:
Created: 2026-01-19 11:03:27
Changed: 2026-01-19 11:03:40
Type: Left Fingerprint
Picture ID: 9969
Case Number: 48826002
Case Name: Märta Johansson
From: Tornkvist Begravningsbyrå karlskrona@tornkvists.se
Status:
Created: 2026-01-19 10:59:05
Changed: 2026-01-19 10:59:14
Type: Left Fingerprint