Orders Logout

Media Picture ID Case Number Case Name From Is Liked Status Created Changed Type
7948 Fonus Begravning Begravning
transport.goteborg@fonus.se
2025-01-22 13:22:46 2025-01-22 13:23:04
7947 Fonus Begravning Begravning
transport.goteborg@fonus.se
2025-01-22 13:21:42 2025-01-22 13:21:48
7946 Fonus Begravning Begravning
transport.goteborg@fonus.se
2025-01-22 13:20:50 2025-01-22 13:21:00
7945 Fonus Transport Sthlm Transport
expeditionen.sthlm@fonus.se
2025-01-22 12:31:26 2025-01-22 12:31:28
7944 Fonus Transport Sthlm Transport
expeditionen.sthlm@fonus.se
2025-01-22 12:29:18 2025-01-22 12:29:23
7943 Fonus Transport Sthlm Transport
expeditionen.sthlm@fonus.se
2025-01-22 12:25:37 2025-01-22 12:25:43
7942 Fonus Transport Sthlm Transport
expeditionen.sthlm@fonus.se
2025-01-22 12:17:46 2025-01-22 12:17:50
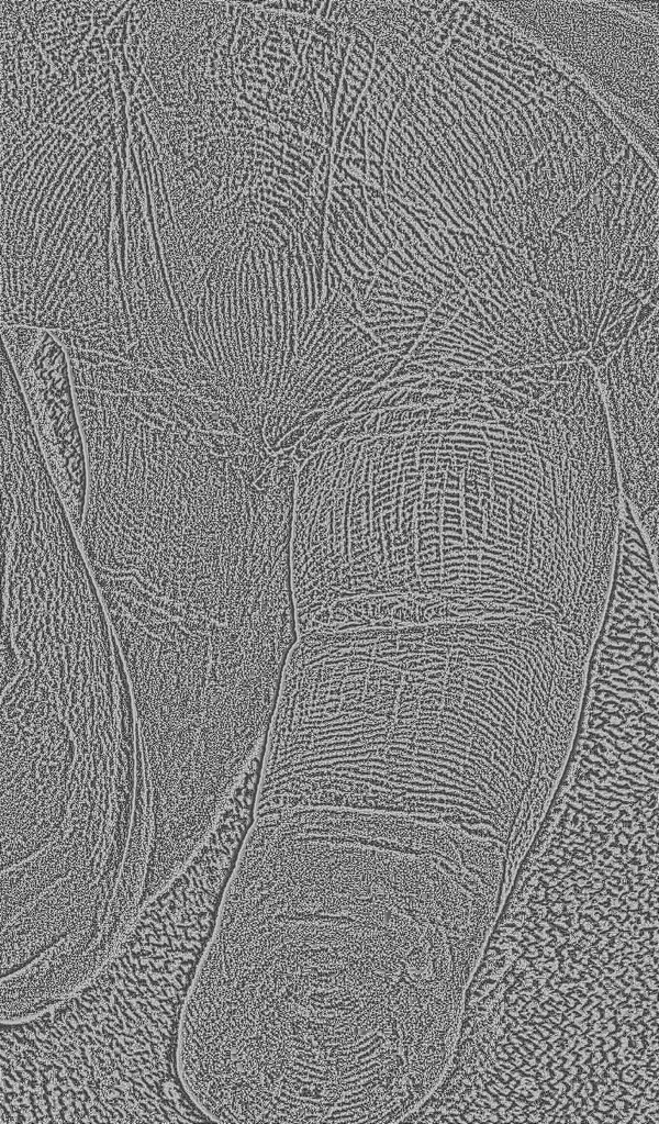
Picture ID: 7948
Case Number: 513136
Case Name: peter attfors
From: Fonus Begravning Begravning transport.goteborg@fonus.se
Status:
Created: 2025-01-22 13:22:46
Changed: 2025-01-22 13:23:04
Type: Left Fingerprint
Picture ID: 7947
Case Number: 513136
Case Name: peter attfors
From: Fonus Begravning Begravning transport.goteborg@fonus.se
Status:
Created: 2025-01-22 13:21:42
Changed: 2025-01-22 13:21:48
Type: Left Fingerprint
Picture ID: 7946
Case Number: 513136
Case Name: peter attfors
From: Fonus Begravning Begravning transport.goteborg@fonus.se
Status:
Created: 2025-01-22 13:20:50
Changed: 2025-01-22 13:21:00
Type: Left Fingerprint
Picture ID: 7945
Case Number: 514539
Case Name: yanina castaneda
From: Fonus Transport Sthlm Transport expeditionen.sthlm@fonus.se
Status:
Created: 2025-01-22 12:31:26
Changed: 2025-01-22 12:31:28
Type: Left Fingerprint
Picture ID: 7944
Case Number: 514539
Case Name: yanina castaneda
From: Fonus Transport Sthlm Transport expeditionen.sthlm@fonus.se
Status:
Created: 2025-01-22 12:29:18
Changed: 2025-01-22 12:29:23
Type: Left Fingerprint
Picture ID: 7943
Case Number: 514539
Case Name: Yasmina Castaneda
From: Fonus Transport Sthlm Transport expeditionen.sthlm@fonus.se
Status:
Created: 2025-01-22 12:25:37
Changed: 2025-01-22 12:25:43
Type: Left Fingerprint
Picture ID: 7942
Case Number: 514539
Case Name: Yanina Castaneda
From: Fonus Transport Sthlm Transport expeditionen.sthlm@fonus.se
Status:
Created: 2025-01-22 12:17:46
Changed: 2025-01-22 12:17:50
Type: Left Fingerprint