Orders Logout

Media Picture ID Case Number Case Name From Is Liked Status Created Changed Type
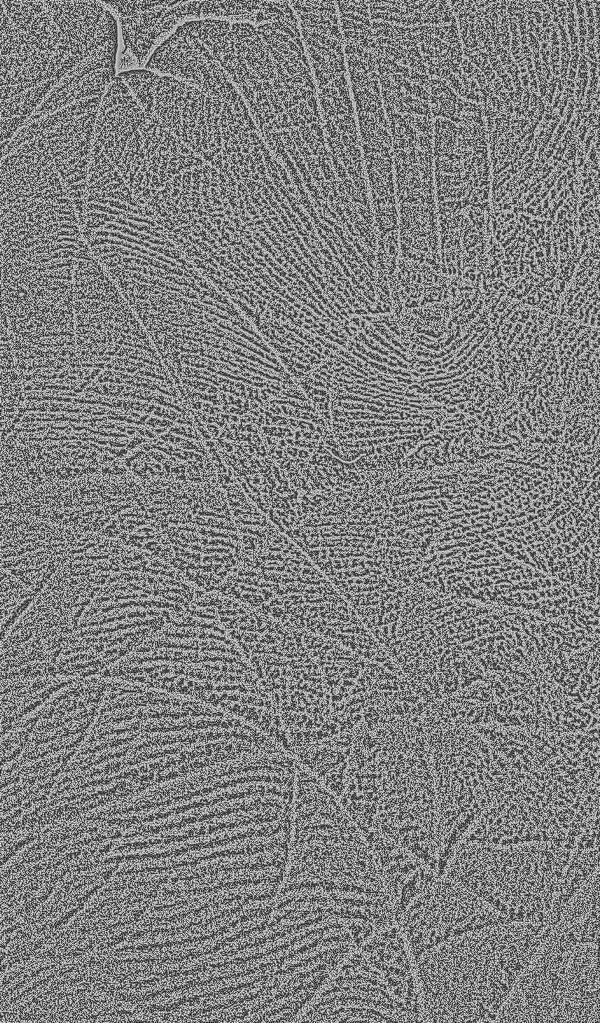
8447 Lina Ringshamre
info@tollstedts.se
2025-05-05 09:15:26 2025-05-05 09:16:05
8446 Anderssons Begravningsbyrå
info@anderssonsbegravningsbyra.se
2025-05-02 16:18:14 2025-05-02 16:18:17
8445 Fonus Umeå
umea@fonus.se
2025-05-02 15:20:03 2025-05-02 15:20:06
8444 Fonus Umeå
umea@fonus.se
2025-05-02 15:18:58 2025-05-02 15:19:00
8443 Fonus Umeå
umea@fonus.se
2025-05-02 15:09:06 2025-05-02 15:09:07
8442 Fonus Transport Sthlm Transport
expeditionen.sthlm@fonus.se
2025-05-02 12:24:16 2025-05-02 12:24:20
8441 Fonus Transport Sthlm Transport
expeditionen.sthlm@fonus.se
2025-05-02 12:22:47 2025-05-02 12:22:52
Picture ID: 8447
Case Number:
Case Name: ann klas
From: Lina Ringshamre info@tollstedts.se
Status:
Created: 2025-05-05 09:15:26
Changed: 2025-05-05 09:16:05
Type: Left Fingerprint
Picture ID: 8446
Case Number: 19670325
Case Name: Patrick Bengtsson
From: Anderssons Begravningsbyrå info@anderssonsbegravningsbyra.se
Status:
Created: 2025-05-02 16:18:14
Changed: 2025-05-02 16:18:17
Type: Hand & Footprint
Picture ID: 8445
Case Number: ulla jakobsson
Case Name: ulla jakobsson
From: Fonus Umeå umea@fonus.se
Status:
Created: 2025-05-02 15:20:03
Changed: 2025-05-02 15:20:06
Type: Left Fingerprint
Picture ID: 8444
Case Number: ulla jakobsson
Case Name: ulla jakobsson
From: Fonus Umeå umea@fonus.se
Status:
Created: 2025-05-02 15:18:58
Changed: 2025-05-02 15:19:00
Type: Left Fingerprint
Picture ID: 8443
Case Number: 61147 Ulla Jakobsson
Case Name: ordernr 61147
From: Fonus Umeå umea@fonus.se
Status:
Created: 2025-05-02 15:09:06
Changed: 2025-05-02 15:09:07
Type: Left Fingerprint
Picture ID: 8442
Case Number: 526277
Case Name: Arturo Vivedes Hormazabal
From: Fonus Transport Sthlm Transport expeditionen.sthlm@fonus.se
Status:
Created: 2025-05-02 12:24:16
Changed: 2025-05-02 12:24:20
Type: Left Fingerprint
Picture ID: 8441
Case Number: 526277
Case Name: Arturo Vivedes Hormazabal
From: Fonus Transport Sthlm Transport expeditionen.sthlm@fonus.se
Status:
Created: 2025-05-02 12:22:47
Changed: 2025-05-02 12:22:52
Type: Left Fingerprint