Orders Logout

Media Picture ID Case Number Case Name From Is Liked Status Created Changed Type
555 Helma Barth Barth
info@barth2foryou.com
2019-09-27 18:08:58 2019-09-27 18:09:01
554 Hans Stipek
hans.stipek@fonus.se
2019-09-27 14:40:37 2019-09-27 14:40:38
553 Fonus Begravning Begravning
boden@fonus.se
2019-09-27 14:39:31 2019-09-27 14:39:36
552 Tomas Petersson Begr
info@tomaspetersson.se
2019-09-27 12:09:05 2019-09-27 12:09:10
551 Tomas Petersson Begr
info@tomaspetersson.se
2019-09-27 12:03:11 2019-09-27 12:03:16
550 Fonus Transport Sthlm Transport
expeditionen.sthlm@fonus.se
2019-09-27 09:45:19 2019-09-27 09:45:21
549 Fonus Begravning Begravning
boden@fonus.se
2019-09-26 21:11:40 2019-09-26 21:11:48
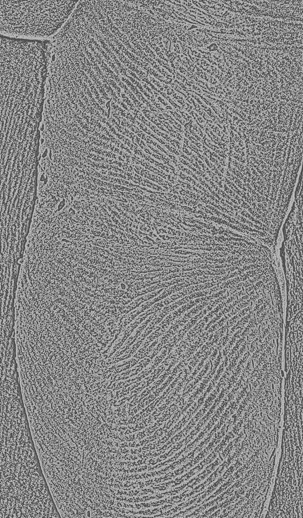
Picture ID: 555
Case Number:
Case Name:
From: Helma Barth Barth info@barth2foryou.com
Status:
Created: 2019-09-27 18:08:58
Changed: 2019-09-27 18:09:01
Type: Left Fingerprint
Picture ID: 554
Case Number: 305487
Case Name: Ann Charlotte Johansson
From: Hans Stipek hans.stipek@fonus.se
Status:
Created: 2019-09-27 14:40:37
Changed: 2019-09-27 14:40:38
Type: Left Fingerprint
Picture ID: 553
Case Number: 305238
Case Name: kjell olsson
From: Fonus Begravning Begravning boden@fonus.se
Status:
Created: 2019-09-27 14:39:31
Changed: 2019-09-27 14:39:36
Type: Left Fingerprint
Picture ID: 552
Case Number:
Case Name: Ulla-Gun Stjerneklev
From: Tomas Petersson Begr info@tomaspetersson.se
Status:
Created: 2019-09-27 12:09:05
Changed: 2019-09-27 12:09:10
Type: Left Fingerprint
Picture ID: 551
Case Number:
Case Name: Ulla-Gun Stjerneklev
From: Tomas Petersson Begr info@tomaspetersson.se
Status:
Created: 2019-09-27 12:03:11
Changed: 2019-09-27 12:03:16
Type: Left Fingerprint
Picture ID: 550
Case Number: 305057
Case Name: Christer Krüger
From: Fonus Transport Sthlm Transport expeditionen.sthlm@fonus.se
Status:
Created: 2019-09-27 09:45:19
Changed: 2019-09-27 09:45:21
Type: Left Fingerprint
Picture ID: 549
Case Number: 305238
Case Name: Kjell Olsson
From: Fonus Begravning Begravning boden@fonus.se
Status:
Created: 2019-09-26 21:11:40
Changed: 2019-09-26 21:11:48
Type: Hand & Footprint