Orders Logout

Media Picture ID Case Number Case Name From Is Liked Status Created Changed Type
2025 Fonus Begravning Begravning
transport.goteborg@fonus.se
2021-06-09 09:06:16 2021-06-09 09:06:53
2024 Fonus Begr Begr
ystad@fonus.se
2021-06-08 15:41:02 2026-01-19 08:46:34
2023 Fonus Begr Begr
ystad@fonus.se
2021-06-08 11:24:32 2026-01-19 08:46:31
2022 Fonus Begravning Begravning
boden@fonus.se
2021-06-08 10:00:13 2021-06-08 10:00:23
2021 Fonus Begravning Begravning
boden@fonus.se
2021-06-08 09:58:55 2021-06-08 09:59:36
2020 Fonus Begravning Begravning
boden@fonus.se
2021-06-08 09:57:50 2021-06-08 09:58:09
2019 Granmyrs Begravningsbyrå
info@granmyrsbegravningsbyra.se
2021-06-06 21:10:30 2021-06-06 21:10:39
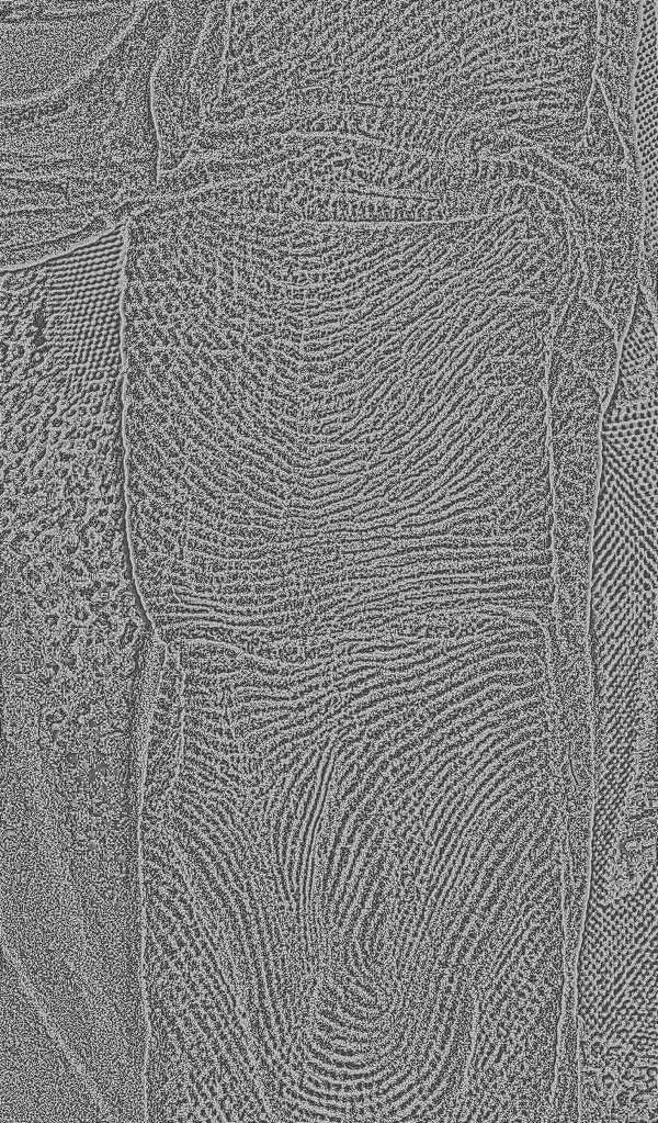
Picture ID: 2025
Case Number: 370172
Case Name: birgitta dahlberg
From: Fonus Begravning Begravning transport.goteborg@fonus.se
Status:
Created: 2021-06-09 09:06:16
Changed: 2021-06-09 09:06:53
Type: Left Fingerprint
Picture ID: 2024
Case Number: 369411
Case Name: Caspian Wahlström
From: Fonus Begr Begr ystad@fonus.se
Status:
Created: 2021-06-08 15:41:02
Changed: 2026-01-19 08:46:34
Type: Left Fingerprint
Picture ID: 2023
Case Number: 369411
Case Name: Caspian Wahlström
From: Fonus Begr Begr ystad@fonus.se
Status:
Created: 2021-06-08 11:24:32
Changed: 2026-01-19 08:46:31
Type: Left Fingerprint
Picture ID: 2022
Case Number: lunus 3
Case Name: fonus boden
From: Fonus Begravning Begravning boden@fonus.se
Status:
Created: 2021-06-08 10:00:13
Changed: 2021-06-08 10:00:23
Type: Left Fingerprint
Picture ID: 2021
Case Number: linus 2
Case Name: fonus boden
From: Fonus Begravning Begravning boden@fonus.se
Status:
Created: 2021-06-08 09:58:55
Changed: 2021-06-08 09:59:36
Type: Left Fingerprint
Picture ID: 2020
Case Number: linus 1
Case Name: fonus Boden
From: Fonus Begravning Begravning boden@fonus.se
Status:
Created: 2021-06-08 09:57:50
Changed: 2021-06-08 09:58:09
Type: Left Fingerprint
Picture ID: 2019
Case Number: 2113
Case Name: sven elenius
From: Granmyrs Begravningsbyrå info@granmyrsbegravningsbyra.se
Status:
Created: 2021-06-06 21:10:30
Changed: 2021-06-06 21:10:39
Type: Left Fingerprint